Шкаф управления
насосами

Предназначен для управления повысительным насосом, а также насосной станцией, состоящей из 2 либо 3 насосов.

Общая информация и способы применения

Шкаф управления повысительным насосом KIRSER 101 предназначен для управления повысительным насосом, а также насосной станцией, состоящей из 2 либо 3 насосов. Внедрение данного решения позволит оптимизировать работу насосов под расходную характеристику системы с целью достижения максимальной энергоэффективности. Максимальная экономия достигается при переменном характере разбора воды.
Использование готового проверенного решения позволяет сократить затраты на монтажно-наладочные работы, а также повысить надежность
  • системы ХВС в системах ЖКХ;
  • промышленные предприятия;
  • водоканалы.
Области применения:
  • точное поддержание заданного давления путем ПИД-регулирования;
  • полный спектр аварийных ситуаций работы насоса;
  • возможность изменения поддерживаемого давления в зависимости от времени суток;
  • обеспечение режима АВР по насосам при управлении насосной станцией;
  • функция чередования насосов для обеспечения равномерного износа;
  • режим каскадного регулирования (ввод дополнительных насосов в моменты пиковых нагрузок);
  • поддержка системы мониторинга OnlineScan
Основные функции шкафа KIRSER 101:
Замена стандартных решений:
Стандартная схема управления насосами подразумевает дискретное управление работой насосов по реле давления.
Для регулирования расхода применяется метод дросселирования при помощи задвижки (причем, как правило «ручной»).
Внедрение системы KIRSER 101:
Полностью автоматическое управление насосной группой. Частотное регулирование позволяет точно поддерживать заданное давление в системе.
В случае уменьшения расхода системы KIRSER 101 автоматически снизит производительность насоса, что приведет к снижению потребляемого тока, но при этом обеспечит поддержание заданного давления.
Недостатки релейной схемы:
Достоинства KIRSER 101:
  • «грубое» поддержание давления;
  • гидроудары от «прямого» пуска насоса;
  • постоянная работа на номинальной частоте (100% потребление тока);
  • отсутствие каскадного режима в пике потребления;
  • точное «плавное» поддержание давления;
  • корректировка давления в зависимости от времени суток;
  • плавный пуск двигателя (уменьшение нагрузки на двигатель и арматуру);
  • снижение потребляемой мощности за счет снижения скорости вращения;
  • наличие возможности каскадного режима при пиковых нагрузках;
  • ведение журнала аварийных ситуаций;
  • счетчик работы насосов;
  • повышение гидравлического сопротивления при закрытии задвижки;
  • рассеивание «излишней» кинетической энергии на задвижке;
  • увеличение затрат кВт/м³ перекачивания воды.
  • оптимизация характеристики работы насоса (автоматическая «подстройка» под характеристику системы);
  • уменьшение показателя кВт/м³ перекачиваемой воды;
  • уменьшение протечек.
Варианты шкафов KIRSER 101 для управления одним, двумя или тремя насосами:
    Основные функции:
  • точное поддержание давления в напорном трубопроводе;
  • корректировка давления по времени суток (утро, день,вечер,ночь);
  • автоматический запуск после пропадания напряжения;
  • снижение потребляемой мощности насоса за счет снижения скорости вращения;
  • защита от низкого давления на всасывающем трубопроводе («сухой» ход);
  • контроль работы насоса от внешних датчиков (реле перепада давления, реле протока и т.д.);
  • защита по низкому давлению в напорном трубопроводе (прорыв трубы);
  • комплексная электронная защита двигателя;
  • встроенный журнал аварий;
  • возможность ручного режима («байпасное» включение);
  • поддержка системы мониторинга OnlineScan.
KIRSER 101 ×××-1
KIRSER 101 ×××-2
KIRSER 101 ×××-3
Управление одним насосом
Управление двумя насосами
Управление тремя насосами
    В шкафах для управления несколькими насосами, кроме уже перечисленных основных функций управления, присутствуют и дополнительные:

  • функция запуска резервного насоса при аварии основного (АВР);
  • чередование насосов для равномерного их износа;
  • возможность каскадного управления насосами в пике расхода.
  • контроль времени наработки каждого насоса;
  • приоритетный запуск насоса с меньшим временем наработки.
Особенности шкафов управления насосами KIRSER 101
KIRSER 101 поставляется с уже запрограммированным алгоритмом и соответствующими документами для правильной эксплуатации. В связи с чем, срок монтажа и ввода насосной станции в эксплуатацию значительно сокращается. Специально разработанное меню на русском языке позволяет быстро сконфигурировать KIRSER 101 под конкретный объект.
Информацию о текущем состоянии работы насосов, текущем давлении в напорном трубопроводе, времени наработки, состоянии аварийных датчиков и прочего можно увидеть на операторской панели. Встроенный журнал последних аварийных ситуаций позволит правильно проанализировать состояние системы до отключения.
Сервисный режим обеспечит безопасное проведение мероприятий по плановому обслуживанию конкретного насоса без отключения всей системы целиком.

Быстрый монтаж – удобная эксплуатация!
Встроенный ПИД-регулятор
Наличие встроенной функции ПИД-регулятора позволяет изменять производительность насоса в зависимости от текущего расхода системы путем частот­ного регулирования.
Плавный пуск, плавная остановка
  • Гидравлическое преимущество – плавный пуск и остановка позволяет исключить гидроудары в системе, продлевает срок службы арматуры и измерительного оборудования.
Русскоязычное меню
Удобная мнемосхема
Журнал аварий
  • Более точное поддержание давления в системе, а также автоматическая адаптация системы под текущий расход.
  • Изменение производительности насоса позволяет изменять потребляемую мощность. Например, при уменьшении разбора воды (Q) на 20 % KIRSER 101 позволит снизить потребляемый ток на 48 % и при этом обеспечит необходимое давление в системе.
Шкаф управления KIRSER 101 обеспечивает плавный пуск и остановку двигателя. Преимущества плавного пуска можно разделить на электрические и гидравлические.
  • Электрическое преимущество – плавный пуск позволяет снизить пусковые токи двигателя, способствует продлению срока службы насоса, а также меньшему износу привода.
Эффект вибрации при запуске
При использовании KIRSER 101 вибрации отсутствуют
"Прямой" пуск насоса
С установленным KIRSER 101
Управление насосной станцией: АВР, чередование, каскадное управление:
Автоматическое включение резервного насоса при выходе из строя основного
Функция АВР
(для равномерного износа) Счетчик наработки по времени, приоритет запуска насоса с наименьшим временем работы
Автоматическое чередование работы насосов по времени
При повышенном расходе системы происходит переключение основного насоса «напрямую» к сети, затем производится плавный запуск и последующее регулирование пиковым насосом
Каскадное регулирование
Удобное задание поддерживаемого давления: два способа задания уставки
Автоматический: автоматическая программная смена уставки в зависимости от времени суток: утро, день, вечер, ночь. Имеется возможность корректировать диапазон времени и значение уставки в этом диапазоне.
Ручной: простое задание при помощи поворотного задатчика.
Комплексная защита насоса
    KIRSER 101 обеспечивает полную защиту электродвигателя:
  • защита насоса от сухого хода (низкое давление на всасывающем трубопроводе);
  • дополнительный датчик аварии насоса (реле перепада давления, реле протока, перегрев обмоток);
  • электронная тепловая защита;
  • защита от перегрузки по току;
  • защита от обрыва выходной фазы;
  • защита от замыкания на землю.
Защита от прорыва трубы
Шкаф управления повысительным насосом KIRSER 101 обеспечивает контроль за давлением в установившемся режиме. Если давление в трубопроводе снизилось на заданное значение, в течение определенного времени, то шкаф управления отключит насос. Этот режим будет актуален для систем, в которых отсутствуют протяженные пиковые нагрузки выше номинальных.
Широкий диапазон рабочих температур
KIRSER 101 оборудован системой поддержания внутреннего микроклимата.

Это позволяет использовать шкаф внутри помещений при температурах до 35 °C в летнее время, а также в не отапливаемых помещениях зимой при температурах до минус 10 °C.
OnlineScan всегда под рукой
  • иметь доступ из любой точки мира;
  • видеть все шкафы на своей интерактивной карте;
  • получать текущие данные с объекта;
  • просматривать архив данных за заданный период времени;
  • строить графики по периодам.
Это удобно. Это просто
  • получить доступ, воспользовавшись любым браузером;
  • зарегистрироваться;
  • добавить новый или редактировать имеющийся шкаф;
  • настроить параметры отображения «под себя».
Технические характеристики шкафов управления насосами KIRSER 101
KIRSER 101-×××-1 для управления 1 насосом
KIRSER 101-×××-2 для управления 2 насосами
KIRSER 101-×××-3 для управления 3 насосами
Схемы KIRSER 101
Схемы KIRSER 101 для управления 1 насосом

Схемы KIRSER 101 для управления 2 насосами

Схема автоматизации
KIRSER 101-xxx-1-x
Схема соединений внешних проводок
KIRSER 101-xxx-1-x
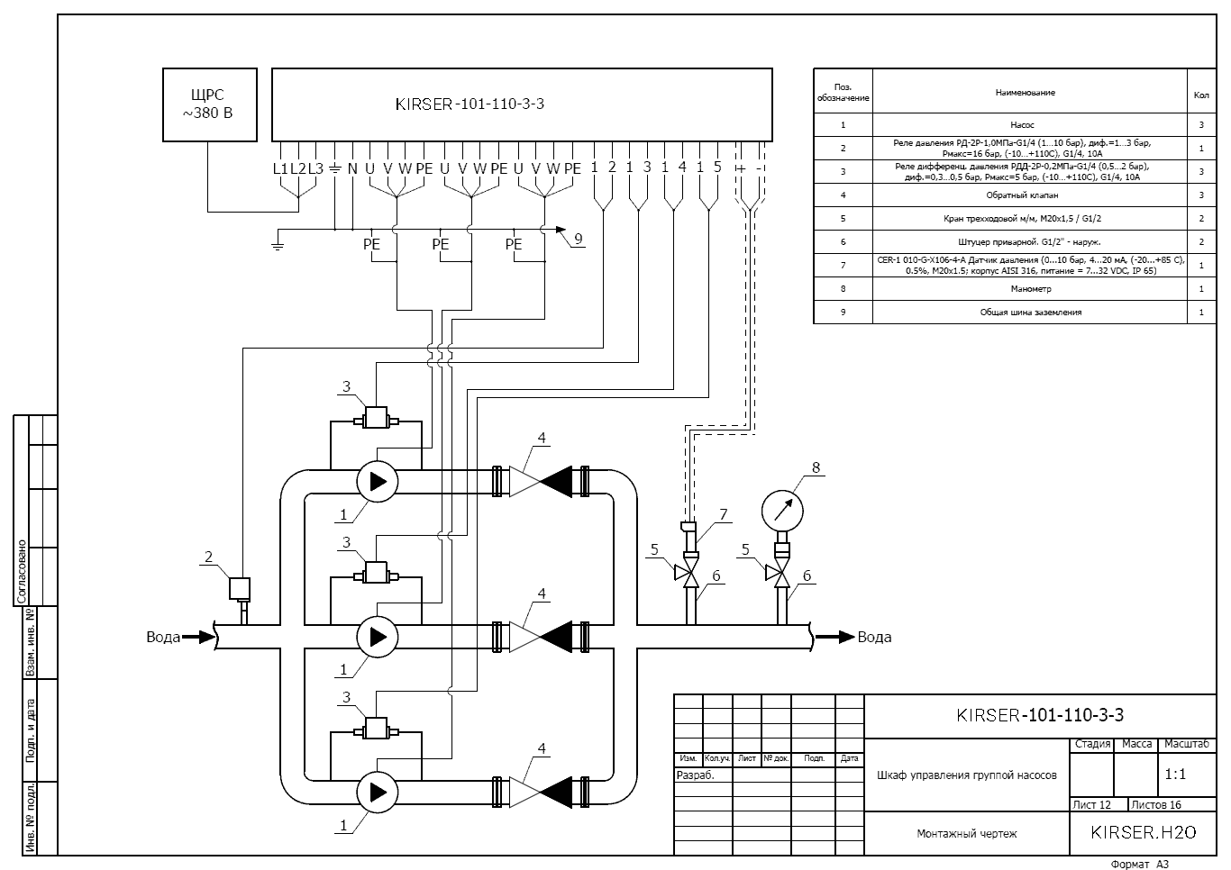
Монтажный чертеж
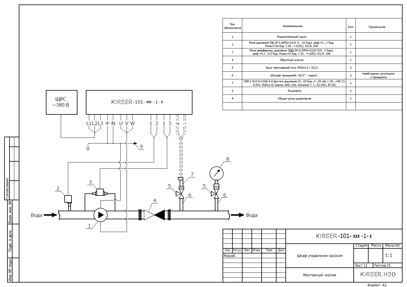
KIRSER 101-xxx-1-x
Схема автоматизации
KIRSER 101-xxx-1-x
Схема соединений внешних проводок
KIRSER 101-xxx-1-x
Монтажный чертеж
KIRSER 101-xxx-1-x
Схемы KIRSER 101 для управления 3 насосами

Схема автоматизации
KIRSER 101-xxx-1-x
Схема соединений внешних проводок
KIRSER 101-xxx-1-x
Монтажный чертеж
KIRSER 101-xxx-1-x
Основные органы управления шкафа KIRSER 101
Операторская панель управления предназначена для первоначальной настройки преобразователя частоты, а также отображения основных параметров работы.
  • индикатор «СУХОЙ ХОД» – индикация низкого давления на входе («сухой ход»)
  • индикаторы «АВАРИЯ НАСОСА 1», «АВАРИЯ НАСОСА 2», «АВАРИЯ НАСОСА 3» – возникновение аварийных ситуаций соответствующих насосов
  • индикатор «АВАРИЯ ПЧ» – возникновение аварийной ситуации преобразователя частоты
  • индикатор «РУЧНОЙ» – индикация включения ручного режима
  • индикаторы «НАСОС 1», «НАСОС 2», «НАСОС 3» – индикаторы включения соответствующих насосов
  • индикатор «АВТОМАТ» – индикация включения автоматического режима
  • сдвоенные кнопки «НАСОС 1», «НАСОС 2», «НАСОС 3» – кнопки пуска/останова соответствующих насосов в ручном режиме
  • переключатель «РУЧ/ВЫКЛ/АВТ» – выбор режима работы шкафа управления
  • поворотный задатчик «УСТАВКА» – задание требуемого давления (для автоматического режима)
  • кнопка «СБРОС АВАРИИ» – снятие аварийного состояния «авария насоса» в автоматическом режиме
Количество индикаторов и кнопок может отличаться от схемы, изображенной слева и напрямую зависит от количества поддерживаемых шкафом насосов и модификации шкафа.
Удобное меню на русском языке
Габаритные размеры управляющих насосами шкафов KIRSER 101
Типоразмер 1: 600×600×250 мм
Типоразмер 2: 600×800×250 мм
Типоразмер 3: 600×800×250 мм
Типоразмер 4: 600×1000×250 мм
Типоразмер 5: 800×1000×300 мм
Типоразмер 6: 800×1200×300 мм
Типоразмер 7: 1000×1400×300 мм
Типоразмер 8: 1200×1800×400 мм
Ввод кабелей внешних подключений осуществляется через кабельные вводы, расположенные снизу шкафа управления.
Обозначение при заказе шкафа управления насосами KIRSER 101
Пример: KIRSER101-075-2-3
Аксессуары для шкафа управления насосами KIRSER 101
Реле давления РД-2Р
Реле дифференц. давления РДД-2Р-0
Реле протока жидкости в трубопроводах QVE1901
Манометр технический ТМ-510
Датчик давления CER-1
Кран трехходовой М20х1,5
Сифонные трубки с защитой от гидроудара
Бобышка приварная ТМ-30-М20х1,5
Оставьте заявку
на консультацию инженера
Нажимая на кнопку «Отправить», вы соглашаетесь на обработку персональных данных в соответствии с политикой конфиденциальности.